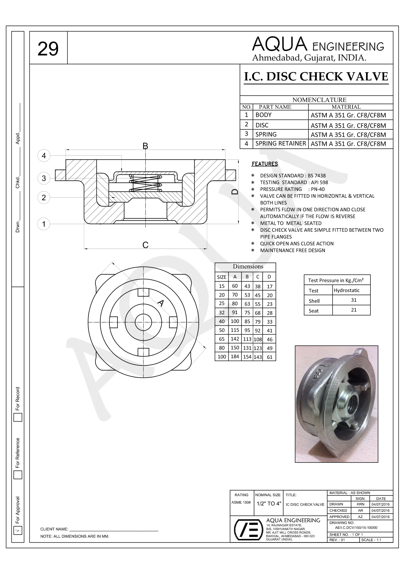
WAFER CHECK VALVES

Check valves are two-port valves, meaning they have two openings in the body, one for fluid to enter and the other for fluid to leave. There are various types of check valves used in a wide variety of applications. Check valves are often part of common household items. Although they are available in a wide range of sizes and costs, check valves generally are very small, simple, and/or inexpensive. Check valves work automatically and most are not controlled by a person or any external control; accordingly, most do not have any valve handle or stem. The bodies (external shells) of most check valves are made of metal.

Materials:
WCB, WC6, WC9 CF8, CF8M, CF3, CF3M, LCB, LCC, Hastelloy, Hastelloy C, Duplex, Monel, and others

  • Body :
    Carbon Steel ASTM A216 Gr. WCB/Stainless Steel A351 Gr.CF8/CF8M/Ductile Iron ASTM A395/S.G. Iron EN 1563 No. EN-JS1024
  • Disc :
    Stainless Steel ASTM A276 Type 410 / 304 / 316 / ASTM A217 Gr.CA15 /Carbon teel ASTM A216 Gr. WCB /Stainless Steel ASTM  A351 Gr. CF8 / CF8M / Ductile Iron ASTM A395 / S.G. Iron  EN1563 No. EN-JS1024
  • Spring :
    Stainless Steel ASTM A240 Type 316 / ASTM A312 Type 316
  • O-ring :
    EPDM , Nitrile , Silicon , Teflon
  • Hinge pin :
    Stainless Steel ASTM A276 Type 410 / 304 / 316
  • Coatingiiiii:
    Enamel
  • According to Standards :
    API 609/ BS5155 / IS 13095 / MSS SP-67
  • Sizes 1.5″to 48″